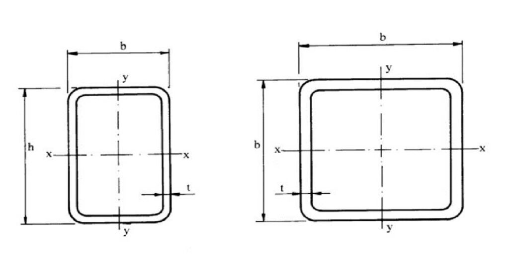
Rectangular hollow sections (RHS) on poikkileikaukseltaan suorakaiteista putkea. Puhekielessä RHS:llä viitataan usein myös neliömäiseen poikkileikkakseen, vaikka oikea termi olisi SHS eli square hollow sections. Suorakaideputket ja nelikulmaputket ovat yleisiä teräsrakenteissa käytettäviää putkipalkkeja ja monessa kohteessa ne ovat edullisempi vaihtoehto kuin I-palkit, H-palkit ja U-palkit.
RHS-nelikulmaputkia ja SHS-suorakaideputkia voidaan käyttää esim. pilareina hitsaamalla toiseen päähän harjateräs, joka tulee valuun ja putken yläpäähän ”hattu” joka kiinnitettään sitten rakenteeseen.
RHS-putket tulevat laadussa S355, ja niitä saa kuumasinkittynä. Erikseen löytyy myös putkia ruostumattomana laadussa AISI 304.